|
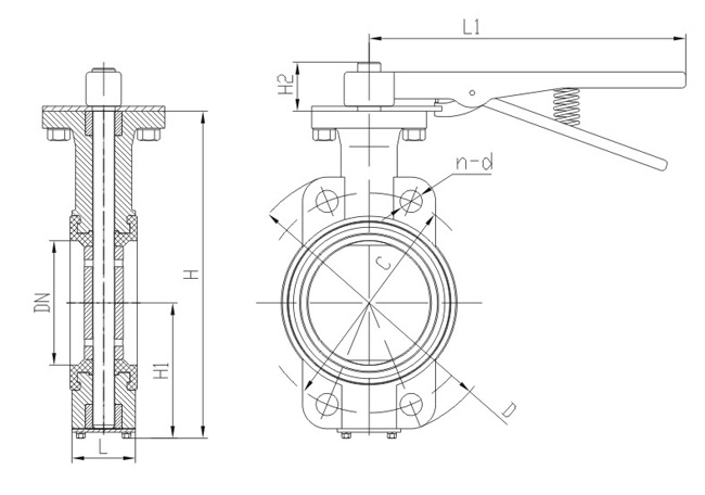
產品名稱:船用對夾式手柄蝶閥GB/T3036-94
產品口徑:
產品壓力:
產品材質:
|
船用中心型對夾式手柄蝶閥GB/T3036-94 用途及特點船用對夾式手柄蝶閥GB/T3036-94適用于船舶、醫藥、化工、石油、電力、輕紡、造紙等給排水、氣體管道上作調節流量和截流介質的作用,具有補償管道熱脹冷縮的功能。 其主要特點為:
采用標準設計標準:GB/T3036-1994 主要技術參數
主要零件的材質
船用中心型對夾式手柄蝶閥GB/T3036-1994,生產標準:國標GB/CB、日標JIS、美標ANSI、德標DIN、公稱壓力:5K、10K、16K、PN、6PN1、0PN16、ANSI150、LB300LB,公稱通徑DN50-DN1200,閥體材質:球墨鑄鐵QT450、鑄鋼ZG230-450、不銹鋼SUS、青銅BZ,閥板:不銹鋼SUS、青銅BZ,閥座:丁晴橡膠NBR,聚四氟乙烯:PTFE、三元乙丙橡膠EPDM、氟橡膠FKM。
標準相關下載: 聲明: 浦首訂貨須知:(國家標準): |
||||||||||||||||||||||||||||||||||||||||||||||||||||




關注官方微信