|
產品名稱:電動低溫三通球閥
產品型號:L型Q944F/T型Q945F
產品口徑:DN15~DN300
產品壓力:1.6Mpa~6.4Mpa
產品材質:鑄鋼、不銹鋼
產品口徑:DN15~DN300
產品壓力:1.6Mpa~6.4Mpa
產品材質:鑄鋼、不銹鋼
產品名稱:電動低溫三通球閥 產品型號:L型Q944F/T型Q945F 公稱通徑:DN15~DN300結構形式:球形公稱壓力:1.6Mpa~6.4Mpa連接方式:法蘭適用溫度:-40ºC~+1
產品說明Q944F/Q945F電動低溫三通球閥是由角行程系列智能式執行機構和三通球閥組成,是一種旋轉類流向切換閥門,電動三通球閥具有關閉嚴密,結構緊湊,重量輕,維修方便等優點。電動低溫三通球閥廣泛用于氣體、液體、蒸汽、油品等腐蝕性介質的管道自動化控制中。電動三通球閥能實現對管道中介質流向的切換。也能使相互垂直的兩個通道連通或關閉。四閥座密封三通球閥具有造型美觀、結構緊湊合理。電動低溫三通球閥不僅可實現介質流向的切換,也可使三個通道相互連通,現時也可關閉任一通道,使另外兩個通道連通,靈活控制管路中介質的合流或分流。故稱之為電動三通換向球閥。主要技術參數及性能
執行器技術參數
主要零件材料
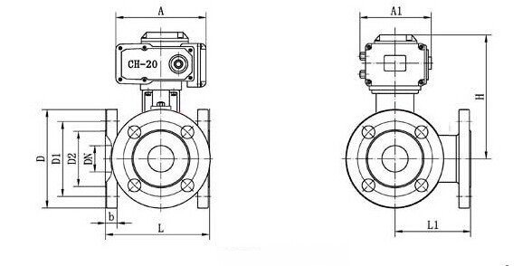
控制方式電動低溫三通球閥分L型和T型,介質流通方向見下圖。L型電動三通球閥適用于介質流向的切換,能使相互垂直的兩個通道連通:T型電動三通球閥適用于介質的分流、合流或流向 切換,T型孔道可以使三個通道互相連通或使其中兩個通道連通,電動三通球閥一般采用三個閥座結構,亦可根據用戶要求采用四閥座結構。T型流向示意圖![]() L型流向示意圖![]() 外形尺寸圖![]() 主要外形尺寸
PN1.6MPa法蘭連接尺寸
PN2.5MPa法蘭連接尺寸
|
|||||||||||||||||||||||||||||||||||||||||||||||||||||||||||||||||||||||||||||||||||||||||||||||||||||||||||||||||||||||||||||||||||||||||||||||||||||||||||||||||||||||||||||||||||||||||||||||||||||||||||||||||||||||||||||||||||||||||||||||||||||||||||||||||||||||||||||||||||||||||||||||||||||||||||||||||||||||||||||||||||||||||||||||||||||||||||||||||||||||||||||||||||||||||||||||||||||||||||||||||||||||||||||||||||||||||||||||||||||||||||||||||||||||||||||||||||||||||||||||||||||||||||||||||||||||||||||||||||||||||||||||||||||||||||||||||||||||||||||||||||||||||||||||||||||||




關注官方微信