|
產品名稱:Q671F氣動對夾式球閥
產品口徑:DN15~DN200
產品壓力:1.6Mpa~2.5Mpa
產品材質:鑄鋼、不銹鋼
產品說明Q671F氣動對夾式球閥產品參照意大利產品的特點,與普通球閥相比,具有結構長度短、重量輕、安裝方便、節省材料等顯著的優點。對夾保溫夾套球閥保溫效果好。此外,閥座采用彈性密封結構,密封可靠,啟閉輕松。設有耐火結構,萬一發生火災時,仍然能夠可靠操作并具有良好的密封性。根據用戶需要,可設有防靜電結構。設置了90°開關帶孔定位片,根據需要可以加鎖,防止誤操作。產品用途Q671F氣動對夾式球閥適用于Class150、PN1.0~2.5MPa,工作溫度 29~180℃(密封圈為增強聚四氟乙烯)或 29~300℃(密封圈為對位聚苯)的各種管路上,用于截斷或接通管路中的介質,選用不同的材質,可分別適用于水、蒸汽、油品、硝酸、醋酸、氧化性介質、尿素等多種介質。 主要零件材料
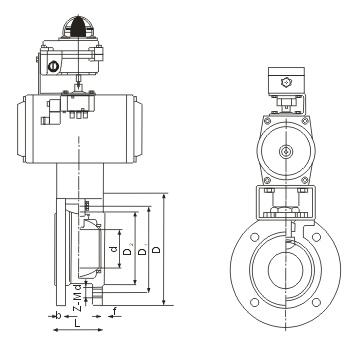
外形結構圖紙![]() 主要尺寸單位:mm
|
||||||||||||||||||||||||||||||||||||||||||||||||||||||||||||||||||||||||||||||||||||||||||||||||||||||||||||||||||||||||||||||||||||||||||||||||||||||||||||||||||||||||||||||||||||||||||||||||||||||||||||||||||||||||||||


關注官方微信