|
產品名稱:PQ340F,PQ340Y,PQ340H上裝式偏心半球閥
產品型號:PQ340H、PQ340Y、PQ340F
產品口徑:DN15~DN2200
產品壓力:1.6Mpa~32.0Mpa
產品材質:碳鋼、鑄鋼、WCB、不銹鋼
產品口徑:DN15~DN2200
產品壓力:1.6Mpa~32.0Mpa
產品材質:碳鋼、鑄鋼、WCB、不銹鋼
產品名稱:上裝式偏心半球閥 產品型號:PQ340H、PQ340Y、PQ340F 公稱通徑:DN15~DN2200結構形式:球形公稱壓力:1.6Mpa~32.0Mpa連接方式:法蘭適用溫度:-20&or
產品說明PQ340F/Y/H上裝式偏心半球閥利用偏心閥體,偏心球體和閥座,閥桿作旋轉運動時在共同軌跡自動定心,關閉過程中越關越緊,完全達到良好的密封目的。閥門的球體和閥座完全脫離,消除了密封圈的磨損,克服了傳統球體閥座與球體密封面始終磨損的問題,非金屬彈性材料被嵌入金屬座中,閥座金屬面受到良好的保護。本產品特別適用于鋼鐵業,鋁業,纖維,微小固體顆粒,紙漿,煤灰,石油氣等介質。結構特點1. 閥座設外臺階與閥體內臺階相配合的結構,防止了球體與閥座發生卡阻或脫離現象。2. 利用偏心閥體,偏心球體和閥座,閥桿作旋轉運氣時,在共同軌跡自動定心,關閉過程中越關越緊,完全達到良好密封的目的,所以偏心半球閥密性能安全可靠;閥門啟閉時,球體與閥座完全脫開,消除了密封副的磨損,克服了傳統球閥閥座與球體密封面始終磨損的問題。 3. 非金屬彈性材料被 于金屬座中,閥座金屬密封面受到良好的保護。 4. 半球切口的球體與閥座之間有剪切作用,特適用于含 維,微小固體顆粒,漿等介質。 5. 全開時流通能力大,壓力損失小,且介質不會沉積在閥體中腔內。 6. 本產品具有精確的調節和可靠定位功能,流量特性為近似百分比,可調范圍大,最大調比為100;1。 執行標準設計制造:GB12237-89法蘭連接:GB/T17241.6998、GB/T9115(鋼制) 結構長度:GB12221-89 壓力試驗:GB/T13927的規定 性能參數
材料明細表
主要零件材料
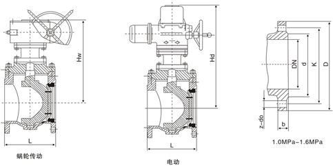
外形結構圖![]() 主要連接尺寸1.0MPa
主要連接尺寸1.6MPa
主要連接尺寸2.5 MPa
主要連接尺寸4.0 MPa
|
|||||||||||||||||||||||||||||||||||||||||||||||||||||||||||||||||||||||||||||||||||||||||||||||||||||||||||||||||||||||||||||||||||||||||||||||||||||||||||||||||||||||||||||||||||||||||||||||||||||||||||||||||||||||||||||||||||||||||||||||||||||||||||||||||||||||||||||||||||||||||||||||||||||||||||||||||||||||||||||||||||||||||||||||||||||||||||||||||||||||||||||||||||||||||||||||||||||||||||||||||||||||||||||||||||||||||||||||||||||||||||||||||||||||||||||||||||||||||||||||||||||||||||||||||||||||||||||||||||||||||||||||||||||||||||||||||||||||||||||||||||||||||||||||||||||||||||||||||||||||||||||||||||||||||||||||||||||||||||||||||||||||||||||||||||||||||||||||||||||||||||||||||||||||||||||||||||||||||||||||||||||||||||||||||||||||||||||||||||||||||||||||||||||||||||||||||||||||||||||||||||||||||||||||||||||||||||||||||||||||||||||||||||||||||||||||||||||||||||||||||||||||||||||||||||||||||||||||||||||||||||||||||||||||||||||||||||||||||||||||||||||||||||||||||||||||||||||||||||||||


關注官方微信