|
產品名稱:Q41F德標法蘭球閥
產品型號:Q41F
產品口徑:DN15~DN250
產品壓力:10K-20K
產品材質:鑄鋼、不銹鋼
產品口徑:DN15~DN250
產品壓力:10K-20K
產品材質:鑄鋼、不銹鋼
產品名稱:德標法蘭球閥 產品型號:Q41F 公稱通徑:DN15~DN250結構形式:球形公稱壓力:10K-20K連接方式:法蘭適用溫度:-20~+100℃~+550℃ 驅動方式:手動、蝸輪、氣動、電動
產品說明Q41F德標法蘭球閥用于截斷或接通管路中的介質,選用不同的材質,可分別適用于水、蒸汽、油品、液化氣、天然氣、煤氣、硝酸、醋酸、氧化性介質、尿素等多種介質。德標球閥具有很小的轉動力矩就能關閉嚴密。完全平等的閥體內腔為介質提供了阻力很小、直通的流道。德標球閥的主要特點是本身結構緊湊,易于操作和維修,適用于水、溶劑、酸和天然氣等一般工作介質,而且還適用于工作條件惡劣的介質,如氧氣過氧化氫、甲烷和乙烯等。產品標準設計標準Design: DIN 3357 EN 12516-1壁厚標準Wall Thickness: ASME B16.34 EN 12516-1 防火標準Fire Safe: API 307 ISO 10497 結構長度Face to Face: DIN 3202 法蘭標準End Flange: DIN EN 1092-1 檢測標準/Inspection & Testing: DIN 3230 EN 12266 產品特點閥桿帶有防靜電設置 Ante-Static Devices For Ball-Stem-Body閥桿帶有防脫出裝置設計 Blow-out Proof stem 鋼球球槽上有泄壓孔設計 Pressure Balance Hole in Ball Slot 采用Iso 5211 支架安裝執行器平臺設計 Built in ISO 5211 Bracket Mount For Easy Automation 主要材料表
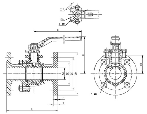
外形結構圖![]() 外形尺寸表
|
||||||||||||||||||||||||||||||||||||||||||||||||||||||||||||||||||||||||||||||||||||||||||||||||||||||||||||||||||||||||||||||||||||||||||||||||||||||||||||||||||||||||||||||||||||||||||||||||||||||||||||||||||||||||||||||||||||||||||||||||||||||||||||||||||||||||||||||||||||||||||||||||||||||||||||||||||||||||||||||||||||||||||||||||||||||||||||||||||||||||


關注官方微信