|
產品名稱:J24W-40P-64P-160P-320P針型閥
產品型號:J24W-40P-64P-160P-320P
產品口徑:DN20~DN400
產品壓力:1.6MPa~32.0MPa
產品材質:鑄鋼、不銹鋼
產品口徑:DN20~DN400
產品壓力:1.6MPa~32.0MPa
產品材質:鑄鋼、不銹鋼
產品名稱:外螺紋角式針型閥 產品型號:J24W-40P-64P-160P-320P 公稱通徑:DN20~DN400結構形式:角式公稱壓力:1.6MPa~32.0MPa連接方式:外螺紋適用溫度:-40&
產品說明J24W-40P-64P-160P-320P外螺紋角式針型閥是由外螺紋連接,適用于油﹑水﹑氣等多種非腐蝕性或腐蝕性介質,適用于-29℃~+440℃ -70℃~-240℃ ≤540℃ ≤570℃。比其他類型的閥門,針型閥具有更好的密封性能和耐受壓力的能力,一般用于較小流量,較高壓力的氣體或者液體介質的密封,最合適與與壓力表配合。產品特性1. 制造標準:GB/T12224-2005 JB/T7747-19952. 連接形式:接管對焊連接 3. 結構特征:錐面密封,活動閥瓣,直角式 4. 閥門檢驗和試驗: GB/T13927-1992 5. 公稱壓力:≤10000Psi 6. 適用工作溫度:-29℃~+200℃ 7. 適用介質: 水,油,氣等腐蝕性與非腐蝕性介質 8. 公稱通徑:DN6,DN10,DN15,DN20,DN25… 主要零件材料
性能規范
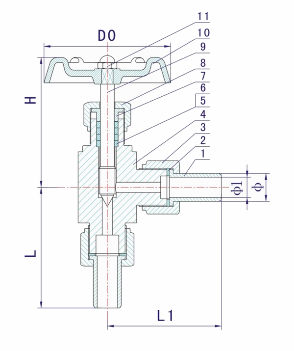
外形結構圖![]() 主要外形尺寸
|
|||||||||||||||||||||||||||||||||||||||||||||||||||||||||||||||||||||||||||||||||||||||||||||||||||||||||||||||||||||||||||||||||||||||||||||||||||


關注官方微信