|
產品名稱:EDRV電動二通平衡閥
產品型號:EDRV
產品口徑:DN25~DN150
產品壓力:1.6MPa~2.5MPa
產品材質:鑄鐵、鑄鋼、不銹鋼
產品口徑:DN25~DN150
產品壓力:1.6MPa~2.5MPa
產品材質:鑄鐵、鑄鋼、不銹鋼
產品名稱:電動二通平衡閥 產品型號:EDRV 公稱通徑:DN25~DN150結構形式:平衡式公稱壓力:1.6MPa~2.5MPa連接方式:法蘭適用溫度:-29ºC~+150ºC驅動
產品說明EDRV電動二通平衡閥是動態平衡與電動調節一體化的產品,主要適用于暖通空調系統末端空調設備(如空調箱、新風機組、空氣處理機)的溫度控制,通過配置智能模塊控制裝置,可方便的對各環路的流量、溫度進行自動控制,實現合理利用能量,節能降耗,智能化管理。應用此閥使末端設備只受標準控制信號的影響,而不受系統壓力波動的影響,使系統調節更穩定、更節能,特別適用于系統負荷變化較大的變流量系統中。產品優點1.穩定:末端設備的流量變化不受系統壓力波動的影響,流量變化不相互干擾。2.節能:較傳統的系統節能6-20%。 3.高效:大大地縮短了調試時間,系統運行具有高效率。 4.舒適:調控溫度精度更高,比傳統變流量系統更舒適。 產品特點1.驅動器為直行程,互換性好。2.流量特性曲線:線/等百分比 3.流量誤差≤5% 4.工作溫度:0--150℃ 材質與壽命1.閥體:優質灰鑄鐵 2.內件:黃銅、不銹鋼3.彈簧:不銹鋼 4.膜片:三元乙丙埋纖 5.壽命:十年以上 控制方式1.智能調節型(最常用)2.比例積分型 流量特性![]() (1)當進口壓力P1 \升高時,(P1-P2)增大,這時電動閥閥芯向上運動。使P1 、P2 間開度減少;當進口壓力P1降低時,(P1-P2 )間開度增大閥芯壓力P2升高。因此,無論系統的壓力怎樣變化,通過電動閥閥芯調節作用,P2,P3間的壓差始終保持不變。因此這種電動閥的抗干擾能力強、具有動態平衡的功能。 (2)當電動執行器接受控制信號使閥軸延 R 向旋轉時,P2、P3間的開度也隨之變化。由于不管系統壓差(P1-P3)如何變化,P2、P3 間的壓差(P2-P3 )始終不變,因此對應任一開度位置,其輸送的水流量都是一定的,并且電動調節閥實際的流量特性曲線與其不早不晚的流量特性曲線一致的,沒有偏離,因此這種電動調節閥比傳統的電動調節閥具有更好的調節性能。 主要材料
性能參數
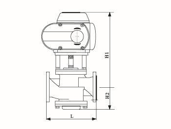
外形結構圖![]() 主要外形尺寸
|
|||||||||||||||||||||||||||||||||||||||||||||||||||||||||||||||||||||||||||||||||||||||||||||||||||||||||||||||||||||||||||||||||||||||||||||||||||||



關注官方微信