|
產品名稱:日標法蘭
產品型號:JIS、JPI
產品口徑:DN15~DN600
產品壓力:10K~20K~30K
產品材質:鑄鋼、碳鋼、鍛鋼、不銹鋼
產品口徑:DN15~DN600
產品壓力:10K~20K~30K
產品材質:鑄鋼、碳鋼、鍛鋼、不銹鋼
產品名稱:日標法蘭 產品型號:JIS、JPI 公稱通徑:DN15~DN600結構形式:圓形公稱壓力:10K~20K~30K連接方式:法蘭適用溫度:-196~+100℃~+650℃ 制作方式:鑄造、鍛造
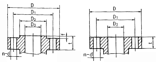
產品說明日標法蘭是工業管道上的連接件,標準是JIS、JPI系列,用于管端之間相互連接的必備附件,日標法蘭盤又叫法蘭凸緣盤或突緣。日標法蘭盤由法蘭、墊片及螺栓三者相互連接作為一組組合密封結構的可拆連接。結構圖![]() Jis 10K RF mm 整體鋼制管法蘭 JIS B2212-B2214-1999
Jis 20K RF mm 整體鋼制管法蘭 JIS B2212-B2214-1999
JIS 10K、16K、20K、30K、40K、63K、RF、FF 法蘭尺寸表![]() JIS 10K、RF、FF mm
JIS 16K、RF、FF mm
JIS 20K、RF、FF mm
JIS 30K、RF、FF mm
JIS 40K、RF、FF
JIS 63K、RF、FF mm
JPI 150、300、600RF、RJ法蘭尺寸表![]() JPI 150RF mm
JPI 300RF mm
JPI 600RF mm
JPI 150RJ mm
JPI 300RJ mm
JPI 600RJ mm
|




關注官方微信