|
產品名稱:100X遙控浮球閥
產品型號:100X
產品口徑:DN20~DN800
產品壓力:
產品材質:鑄鐵、鑄鋼、不銹鋼、黃銅
產品口徑:DN20~DN800
產品壓力:
產品材質:鑄鐵、鑄鋼、不銹鋼、黃銅
產品名稱:遙控浮球閥 產品型號:100X 公稱通徑:DN20~DN800結構形式:活塞式、隔膜式工作壓力:1.0MPa~2.5MPa連接方式:法蘭適用溫度:-20ºC~+80ºC功
產品說明100X遙控浮球閥直接利用液面控制,不需要其它裝置和能源,保養簡便,液面控制準確度高,不受水壓影響,密封可靠。100X遙控浮球閥廣泛用于高層建筑、生活區等供水管網系統的水塔、水池等設施的液面控制。結構特點100X遙控浮球閥由主閥、針閥、球閥、浮球閥、微型過濾器等組成水力控制接管系統,調定后,自動控制液面高度。工作原理當管道從進水端給水時,由于針閥、球閥、浮球閥是常開的,水通過微型過濾器、針閥、控制室、球閥、浮球閥進入水池,此時控制室不形成壓力,主閥開啟,水塔(池)供水。當水塔(池)的水面上升至設定高度時,浮球浮起關閉浮球閥,控制室內水壓升高,推動主閥關閉,供水停止。當水面下降時,浮球閥重新開啟,控制室水壓下降,主閥再次開啟繼續供水,保持液面的設定高度。技術參數
主要零件
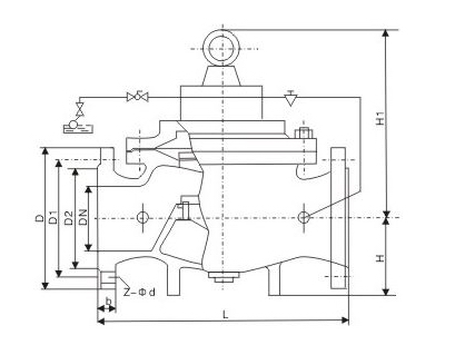
外形結構圖![]() 主要外形尺寸
安裝示意圖![]()
|
||||||||||||||||||||||||||||||||||||||||||||||||||||||||||||||||||||||||||||||||||||||||||||||||||||||||||||||||||||||||||||||||||||||||||||||||||||||||||||||||||||||||||||||||||||||||||||||||||||||||||||||||||||||||||||||||||||||||||||||||||||||||||||||||||||||||||||||||||||||||||||||||||||||||||||||||||||||||||||||||||||||||||||||||||||||||||||||||||||||||||||||||||||||||||||||||||||||||||||||||||||||||||||||||||||||||||||||||||||||||||||||||||||||||||||||||||||||||||||||



關注官方微信