|
產品名稱:300X緩閉式止回閥
產品型號:300X
產品口徑:DN20~DN800
產品壓力:
產品材質:鑄鐵、鑄鋼、不銹鋼、黃銅
產品口徑:DN20~DN800
產品壓力:
產品材質:鑄鐵、鑄鋼、不銹鋼、黃銅
產品名稱:緩閉式止回閥 產品型號:300X 公稱通徑:DN20~DN800結構形式:彈簧式工作壓力:1.0MPa~1.6MPa~2.5MPa連接方式:法蘭適用溫度:-0ºC~+80º
產品說明300X緩閉式止回閥是安裝在高層建筑給水系統以及其它給水系統的水泵出口處,防止介質倒流,水錘及水擊現象的智能型閥門,可有效提高供水系統的安全可靠性。該閥將緩開、速閉、緩閉消除水錘技術原理一體化,防止開泵水錘和停泵水錘的產生。只需操作水泵電機啟閉按鈕,閥門即可按照水泵操作規程自動實現啟閉,流量大,壓力損失小,適用于600口徑以下的管道。結構特點300X緩閉式止回閥由主閥、單向閥、針閥、球閥、微形過濾器和壓力表組成水力控制接管系統。利用水力自動操作,可使主閥得到最佳的開啟或關閉速度。防止水鍾水擊的產生,以達到緩閉消聲的效果。300X緩閉式止回閥利用水力自力控制,不需要其它裝置和能源,保養簡便,開啟及緩閉平穩。300X緩閉式止回閥廣泛用于高層建筑、生活區等供水管網系統及城市供水工程。工作原理當閥門從進口端給水時,水通過微型過濾器、針閥、單向閥進入主閥控制室,再經過球閥排水至下游。因為針閥開度小于球閥開度,即主閥控制室的排水速度大于進水速度,因此控制室壓力降低,作用于主閥盤下端的進口壓力打開主閥向下游供水。當管道停止供水時,若下游水開始回流,一部分回流水經球閥進入主控制室,由于單向閥作用,回流水不能從主控制室流出,引起主控制室逐漸升壓,緩緩關閉主閥。 技術參數
主要零件
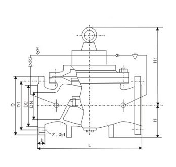
外形結構圖![]() 主要外形尺寸
安裝示意圖![]()
|
||||||||||||||||||||||||||||||||||||||||||||||||||||||||||||||||||||||||||||||||||||||||||||||||||||||||||||||||||||||||||||||||||||||||||||||||||||||||||||||||||||||||||||||||||||||||||||||||||||||||||||||||||||||||||||||||||||||||||||||||||||||||||||||||||||||||||||||||||||||||||||||||||||||||||||||||||||||||||||||||||||||||||||||||||||||||||||||||||||||||||||||||||||||||||||||||||||||||||||||||||||||||||||



關注官方微信