|
產品名稱:船用氣動通風蝶閥
產品口徑:
產品壓力:
產品材質:
|
船用氣動通風蝶閥
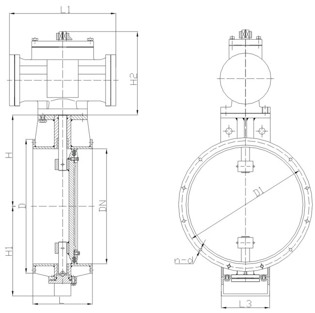
概述船用氣動通風蝶閥采用與閥體相同材料加工成密封圈,采用電或氣傳動。其適用溫度隨閥體選材而定,公稱壓力≤0.6MPa。一般適用于工業、冶金、環保等管道作通風調節介質流量之用。
采用標準設計標準:CB 1285 浦首船用氣動蝶閥廣泛應用于船舶、艦艇、游輪及海洋工程管路系統,由于船舶和海洋工程上管路空間及環境的限制,普通蝶閥操作及環境無法全部滿足和適應其需求。本產品體積小,占有空間有限,并可進行遠程控制操作,還可以和遙控系統連接后進行遠程遙控作業,如船上氣源及電源出現失源狀態時,該類產品同時可在就地進行蝶閥啟閉工作,本產品資源采集簡單方便(壓縮空氣),蝶閥啟閉靈敏(啟閉速度1-3秒鐘),遠程控制系統配有啟閉狀態信號顯示,故障報警和低壓報警等原件,還可通過接口接入微機進行遠程控制操業。浦首產品有遠程控制箱、控制按鈕、氣動驅動頭、就地操作驅動機構,行程限位開關,閥體、蝶板、閥桿、座圈等部件組成,產品可提供符合ISO標準、JIS標準和GB標準和各種規格供用戶選擇。 特點
氣動通風蝶閥,生產標準日標JIS、公稱壓力:5K、10K、16K、PN、6PN1、0PN16、ANSI150、LB300LB,公稱通徑DN50-DN1200,閥體材質:球墨鑄鐵QT450、鑄鋼ZG230-450、不銹鋼SUS、青銅BZ,閥板:不銹鋼SUS、青銅BZ,閥座:丁晴橡膠NBR,聚四氟乙烯:PTFE、三元乙丙橡膠EPDM、氟橡膠FKM。 標準相關下載: 聲明: 浦首訂貨須知:(國家標準): |



關注官方微信