|
產品名稱:D371X蝸輪蝶閥
產品型號:D371X
產品口徑:DN50~DN1000
產品壓力:1.0Mpa~1.6MPa
產品材質:鑄鐵、球墨鑄鐵、鑄鋼、不銹鋼
產品口徑:DN50~DN1000
產品壓力:1.0Mpa~1.6MPa
產品材質:鑄鐵、球墨鑄鐵、鑄鋼、不銹鋼
產品名稱:蝸輪蝶閥 產品型號:D371X 公稱通徑:DN50~DN1000閥座密封:橡膠、四氟公稱壓力:1.0Mpa~1.6MPa連接方式:對夾、法蘭適用溫度:-20ºC~+150º
產品說明D371X蝸輪蝶閥該產品由橡膠或四氟密封蝶閥和碳鋼或不銹鋼閥板、閥桿構成。適用于溫度≤80~120℃如食品、醫藥、化工、石油、電力、輕紡、造紙等給排水、氣體管道上作調節流量和截流介質的作用。產品特點1、密封件可以更換,密封性能可靠達到雙向密封零泄漏。2、操力矩小,操作方便,省力靈巧。 3、可以任何位置安裝,維修方便。 4、設計新穎、合理、結構獨特,重量輕,啟閉迅速。 5、密封材料耐老化、耐弱腐蝕,使用壽命長等特點。 主要技術參數
主要零件材料
密封材料選用和適用溫度
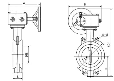
外形結構圖![]() 主要外形連接尺寸
|
|||||||||||||||||||||||||||||||||||||||||||||||||||||||||||||||||||||||||||||||||||||||||||||||||||||||||||||||||||||||||||||||||||||||||||||||||||||||||||||||||||||||||||||||||||||||||||||||||||||||||||||||||||||||||||||||||||||||||||||||||||||||||||||||||||||||||||||||||||||||||||||||||||||||||||||||||||||||||||||||||||||||||||||||||||||||||||||||||||||||||||||||||||||||


關注官方微信