|
產品名稱:D973H電動高溫蝶閥
產品型號:D973H
產品口徑:DN50~DN1000
產品壓力:1.0Mpa~4.0MPa
產品材質:鑄鋼、不銹鋼
產品口徑:DN50~DN1000
產品壓力:1.0Mpa~4.0MPa
產品材質:鑄鋼、不銹鋼
產品名稱:電動高溫蝶閥 產品型號:D973H 公稱通徑:DN50~DN1000閥座密封:合金、司太立、不銹鋼公稱壓力:1.0Mpa~4.0MPa連接方式:對夾、法蘭適用溫度:-20ºC~+1
產品說明D973H電動高溫蝶閥采用一個“U”型不銹鋼密封圈,該精密的彈性密封圈與經過拋光的蝶板三維偏心接觸。解決了傳統偏心蝶閥在啟閉0°~10°瞬間密封面仍處于滑動接觸摩擦的弊病,實現蝶板在開啟瞬間密封面即分離,關閉接觸即密封的效果,達到延長使用壽命、密封性能最佳的目的。因此被廣泛地應用到介質溫度≤550℃的冶金、電力、石油、化工、空氣、煤氣、可燃氣體以及給排水等腐蝕性介質的管道上,是調節流量和截斷流體的最佳裝置。產品特點1、該蝶閥結構簡單、緊湊、重量輕、易于安裝和拆卸、維修方便;2、本蝶閥采用不銹鋼“U”型密封圈,具有一定的彈性無論在高溫、低溫的情況下,它與蝶板均具有優良的密封性; 3、本蝶閥的三維偏心距,經過嚴格的計算,“U”型密封圈與蝶板幾乎無磨擦,使用壽命長,并具有越關越緊的功能; 4、蝶板密封面采用堆焊鈷基硬質合金,密封面耐磨損,使用壽命長; 5、本蝶閥結構獨特,“開關”僅需轉動閥桿90°即可完成。操作靈活、方便、省力、不受介質壓力的高低影響,密封性能可靠; 6、耐高溫、耐低溫、耐腐蝕性。 采用標準設計標準 :GB/T12238-1989結構長度:GB/T12221-1989 壓力試驗:GB/T13927-1992;JB/T9092-1999 執行機構1.功能強勁:智能型、調節型、開關式。2.體積小巧:體積僅相當于同類產品的35%左右。 3.使用方便:采用單相電源,接線簡單;采用獨創的球型凸出結構,使觀察更方便;免加油免點檢、防水防銹、任意角度安裝。 4.保護裝置有雙重限位、過熱保護、過載保護。全行程時間15秒、30秒、45秒、60秒。及帶手動功能。 5.智能數控:內置模塊采用先進計算機單片及智能控制軟件直接接收計算機或工業儀表等輸出的標準信號(4-20mA DC /1-5VDC)實現閥門開度的智能控制和精確定位。也可選用3810系列或NA系列電子式角行程執行機構.亦可選用PSQ系列或DYR系列。 技術參數
主要零件材質
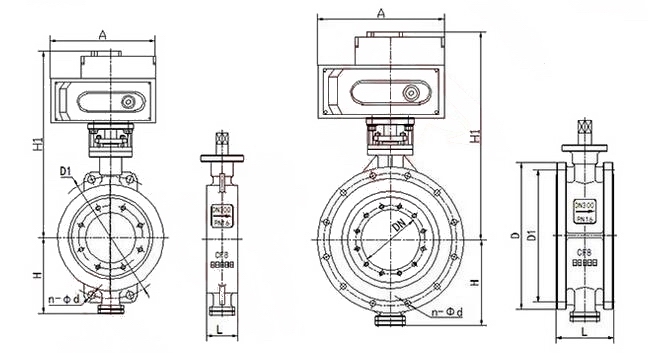
三偏心特點及原理1、偏離管道中心2、偏離密封面中心 3、傾斜的錐形 當閥門開啟時,蝶板與閥座在關閉時瞬間接觸,利用蝶板偏心1、偏心2迅速脫離閥座,降低了密封副的磨損,磨擦力矩小,開啟靈活。偏心錐面3,使閥門在開啟或關閉時蝶板能通過閥座內孔,實現接觸密封。另外,錐形蝶板的旋轉半徑大于密封副接觸位置的旋轉半徑,故蝶板在閥門關閉時將出現越關越緊,能夠實現自鎖,防止蝶板過位。 外形結構圖![]() 主要外形連接尺寸
|
||||||||||||||||||||||||||||||||||||||||||||||||||||||||||||||||||||||||||||||||||||||||||||||||||||||||||||||||||||||||||||||||||||||||||||||||||||||||||||||||||||||||||||||||||||||||||||||||||||||||||||||||||||||||||||||||||||||


關注官方微信