|
產品名稱:GID電動高真空蝶閥
產品型號:GID
產品口徑:DN40~DN1200
產品壓力:2x105~1.3×10-5Pa
產品材質:鑄鋼、不銹鋼、316、316L
產品口徑:DN40~DN1200
產品壓力:2x105~1.3×10-5Pa
產品材質:鑄鋼、不銹鋼、316、316L
產品名稱:電動高真空蝶閥 產品型號:GID 公稱通徑:DN40~DN1200閥座密封:氟橡膠、丁晴橡膠、金屬座公稱壓力:2x105~1.3×10-5Pa連接方式:對夾式適用溫度:-30&o
產品說明GID電動高真空蝶閥采用回轉型電動、電子調節式閥門驅動裝置,可以通過外接電源的切換(用手動轉位開關或電腦控制)或外部輸入信號,來實現閥門開、關或中間位置的控制,從而達到接通或切斷真空管路中氣流的目的。用于接通或切斷真空管路中的氣流。閥體的閥板采用夾緊結構,把閥板的密封圈夾緊,起到更好的密封作用。除了能用在真空狀態下,也能用在低壓狀態下使用。技術性能
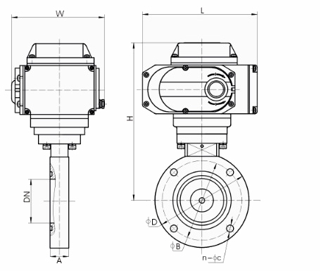
主要零件材料閥體、閥蓋、閥桿:碳鋼或不銹鋼密封件:丁腈橡膠、氟橡膠 外形結構圖![]() 主要外形尺寸
|


關注官方微信