|
產品名稱:D671F46氣動全襯氟蝶閥
產品型號:D671F46
產品口徑:DN40~DN1200
產品壓力:1.0Mpa~1.6MPa
產品材質:鑄鐵、鑄鋼、不銹鋼
產品口徑:DN40~DN1200
產品壓力:1.0Mpa~1.6MPa
產品材質:鑄鐵、鑄鋼、不銹鋼
產品名稱:氣動全襯氟蝶閥 產品型號:D671F46 公稱通徑:DN40~DN1200閥座密封:F4、F46公稱壓力:1.0Mpa~1.6MPa連接方式:對夾式、法蘭式適用溫度:-25ºC~+
產品說明D671F46氣動全襯氟蝶閥廣泛用于防腐管道系統上。主要用以實現閥門的開啟、關閉與調節。全襯聚四氟乙烯(F4)、聚三氟氯乙烯(F3)和聚全氟乙丙烯(F46)氟塑料襯里閥,具有耐腐蝕、無泄漏、壽命長等優點。 適用于濃硫酸、鹽酸、硝酸、氫氟酸、王水、各種有機酸、強酸、氧化性介質或高溫烯硫酸、高溫濃醋酸、酸堿交替及多種有機溶劑和其它強腐蝕性介質。產品特點1、中線蝶閥為整個蝶板與閥座在360°圓周內同心(中線),具有雙向密封功能,壓力,流量可自由調節;2、四級加載彈性密封,絕對保證了閥門內、外的零泄漏; a、軸頭、蝶板園周連接處的特殊過渡曲線與閥座的合理過盈; b、軸頭端面采用彈性O型圈和軸肩處剛性墊圈、彈性橡膠墊組合; c、軸的徑向采用O型圈與金屬墊的組合; d、閥座鑲在有彈性條的閥體的槽內; 3、采用可調彈性彈子定位。定位準確,結構簡單。 應用標準
性能規范
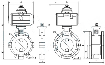
外形結構圖![]() 主要外形尺寸
|
|||||||||||||||||||||||||||||||||||||||||||||||||||||||||||||||||||||||||||||||||||||||||||||||||||||||||||||||||||||||||||||||||||||||||||||||||||||||||||||||||||||||||||||||||||||||||||||||||||||||||||||||||||||||||||||||||||||||||||||||||||||||||||||||||||||||||||||||||||||||||||||||||||||||||||||||||||


關注官方微信