|
產品名稱:D671J氣動對夾式襯膠蝶閥
產品型號:D671J
產品口徑:DN50~DN1200
產品壓力:1.0Mpa~1.6MPa
產品材質:鑄鐵、球墨鑄鐵、鑄鋼、不銹鋼
產品口徑:DN50~DN1200
產品壓力:1.0Mpa~1.6MPa
產品材質:鑄鐵、球墨鑄鐵、鑄鋼、不銹鋼
產品名稱:氣動對夾式襯膠蝶閥 產品型號:D671J 公稱通徑:DN50~DN1200閥座密封:三元乙丙公稱壓力:1.0Mpa~1.6MPa連接方式:對夾、法蘭適用溫度:-20ºC~+150&
產品說明D671J氣動對夾式襯膠蝶閥適用于溫度≤150℃,弱腐蝕或潔凈度有一定要求工況,在食品、醫藥、化工、石油、電力、輕紡、造紙等給排水、氣體管道上作調節流量和截流介質的作用。產品特點1、密封件可以更換,密封性能可靠達到雙向密封零泄漏。2、操力矩小,操作方便,省力靈巧。 3、可以任何位置安裝,維修方便。 4、設計新穎、合理、結構獨特,重量輕,啟閉迅速。 5、密封材料耐老化、耐弱腐蝕,使用壽命長等特點。 主要技術參數
主要零件材料
密封材料選用和適用溫度
氣動執行器
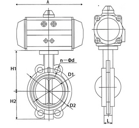
1、齒輪式雙活塞,輸出力矩大,體積小。 2、氣缸選用鋁金材料,重量輕、外形美觀。 3、可在頂部、底部安裝手動操作機構。 4、齒條式連接可調節開啟角度、額定流量。 5、執行器可選帶電訊號反饋指示及各類附件以實現自動化操作。 6、IS05211標準連接為產品的安裝更換提供了方便。 7、兩端調的節螺釘可使標準產品在0°和90°有±4°的可調范圍。確保與閥門的同步精度。 外形結構圖![]() 主要外形連接尺寸
|
||||||||||||||||||||||||||||||||||||||||||||||||||||||||||||||||||||||||||||||||||||||||||||||||||||||||||||||||||||||||||||||||||||||||||||||||||||||||||||||||||||||||||||||||||||||||||||||||||||||||||||||||||||||||||||||||||||||||||||||||||||||||||||||||||||||||||||||||||||||||||||||||||||||||||||||||||||||||||||||||||||||||||||||||||||||||||||||||||||||||||||||||||||||||||||||||||||||||||||||||||||||||||||||||||||||||||||||||||||||||||||||||||||||


關注官方微信