|
產品名稱:D373H蝸輪對夾式硬密封蝶閥
產品型號:D373H
產品口徑:DN50~DN1000
產品壓力:1.0Mpa~4.0MPa
產品材質:鑄鋼、不銹鋼
產品口徑:DN50~DN1000
產品壓力:1.0Mpa~4.0MPa
產品材質:鑄鋼、不銹鋼
產品名稱:蝸輪對夾式硬密封蝶閥 產品型號:D373H 公稱通徑:DN50~DN1000閥座密封:合金、司太立、不銹鋼公稱壓力:1.0Mpa~4.0MPa連接方式:對夾適用溫度:-20ºC~+
產品說明D373H蝸輪對夾式硬密封蝶閥采用一個“U”型不銹鋼密封圈,該精密的彈性密封圈與經過拋光的蝶板三維偏心接觸。解決了傳統偏心蝶閥在啟閉0°~10°瞬間密封面仍處于滑動接觸摩擦的弊病,實現蝶板在開啟瞬間密封面即分離,關閉接觸即密封的效果,達到延長使用壽命、密封性能最佳的目的。因此被廣泛地應用到介質溫度≤550℃的冶金、電力、石油、化工、空氣、煤氣、可燃氣體以及給排水等腐蝕性介質的管道上,是調節流量和截斷流體的最佳裝置。產品特點1、該蝶閥結構簡單、緊湊、重量輕、易于安裝和拆卸、維修方便;2、本蝶閥采用不銹鋼“U”型密封圈,具有一定的彈性無論在高溫、低溫的情況下,它與蝶板均具有優良的密封性; 3、本蝶閥的三維偏心距,經過嚴格的計算,“U”型密封圈與蝶板幾乎無磨擦,使用壽命長,并具有越關越緊的功能; 4、蝶板密封面采用堆焊鈷基硬質合金,密封面耐磨損,使用壽命長; 5、本蝶閥結構獨特,“開關”僅需轉動閥桿90°即可完成。操作靈活、方便、省力、不受介質壓力的高低影響,密封性能可靠; 6、耐高溫、耐低溫、耐腐蝕性。 采用標準設計標準 :GB/T12238-1989結構長度:GB/T12221-1989 壓力試驗:GB/T13927-1992;JB/T9092-1999 技術參數
主要零件材質
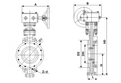
三偏心特點及原理1、偏離管道中心2、偏離密封面中心 3、傾斜的錐形 當閥門開啟時,蝶板與閥座在關閉時瞬間接觸,利用蝶板偏心1、偏心2迅速脫離閥座,降低了密封副的磨損,磨擦力矩小,開啟靈活。偏心錐面3,使閥門在開啟或關閉時蝶板能通過閥座內孔,實現接觸密封。另外,錐形蝶板的旋轉半徑大于密封副接觸位置的旋轉半徑,故蝶板在閥門關閉時將出現越關越緊,能夠實現自鎖,防止蝶板過位。 外形結構圖![]() PN0.6MPa~PN1.0MPa連接尺寸
PN1.6MPa~PN2.5MPa連接尺寸
PN4.0MPa連接尺寸
|
|||||||||||||||||||||||||||||||||||||||||||||||||||||||||||||||||||||||||||||||||||||||||||||||||||||||||||||||||||||||||||||||||||||||||||||||||||||||||||||||||||||||||||||||||||||||||||||||||||||||||||||||||||||||||||||||||||||||||||||||||||||||||||||||||||||||||||||||||||||||||||||||||||||||||||||||||||||||||||||||||||||||||||||||||||||||||||||||||||||||||||||||||||||||||||||||||||||||||||||||||||||||||||||||||||||||||||||||||||||||||||||||||||||||||||||||||||||||||||||||||||||||||||||||||||||||||||||||||||||||||||||||||||||||||||||||||||||||||||||||||||||||||||||||||||||||||||||||||||||||||||||||||||||||||||||||||||||||||||||||||||||||||||||||||||||||||||||||||||||||||||||||||||||||||||||||||||||||||||||||||||||||||||


關注官方微信