|
產品名稱:D971X電動蝶閥
產品型號:D971X
產品口徑:DN50~DN1000
產品壓力:1.0Mpa~1.6MPa
產品材質:鑄鐵、球墨鑄鐵、鑄鋼、不銹鋼
產品口徑:DN50~DN1000
產品壓力:1.0Mpa~1.6MPa
產品材質:鑄鐵、球墨鑄鐵、鑄鋼、不銹鋼
產品名稱:電動蝶閥 產品型號:D971X 公稱通徑:DN50~DN1000閥座密封:丁青橡膠、聚四氟乙烯公稱壓力:1.0Mpa~1.6MPa連接方式:對夾、法蘭適用溫度:-20ºC~+150
產品說明D971X電動蝶閥是采用一體化結構,接入220VAC電源即可控制運轉,也可加入控制模塊,輸入控制信號(4-20mADC或1-5VDC)進行調節控制。電動蝶閥具有功能強,體積小,輕便宜人,性能可靠,配套簡單元,流通能力大,對常溫、干凈介質,可選用閥板加軟密封(橡膠圈、四氟圈)來減少泄漏(可達0.01%),高溫高壓工況可選用三偏心硬密封閥體。電動蝶閥可廣泛應用于食品,環保,輕工,石油,化工,教學設備,造紙,電力等到行業的工業過程自動控制系統中。產品特點1、本閥采用雙偏心結構,具有越關越緊的密封功能,密封性能可靠。2、密封副材料選用不銹鋼和丁腈耐油橡膠配對,使用壽命長。 3、橡膠密封圈即可位于閥體上,也可以位于蝶板上,可適用不同特點的介質,供用戶選擇。 4、蝶板采用框架結構,強度高,過流面積大,流阻小。 5、整體烤漆、能有效地防止銹蝕且只要更換密封閥座密封材料,就可使用于不同介質。 6、本閥具有雙向密封功能,安裝時不受介質流向的控制,也不受空間位置的影響,可在任何方向安裝。 7、本閥結構獨特,操作靈活,省力,方便。 設計標準
技術參數
電動執行器
(2)體積小巧:體積僅相當于同類產品的35%左右。 (3)使用方便:采用單相電源,接線簡單;采用獨創的球型凸出結構,使觀察更方便;免加油免點檢、防水防銹、任意角度安裝。 (4)保護裝置有雙重限位、過熱保護、過載保護。全行程時間15秒、30秒、45秒、60秒。及帶手動功能。 (5)智能數控:內置模塊采用先進計算機單片及智能控制軟件直接接收計算機或工業儀表等輸出的標準信號(4-20mA DC /1-5VDC)實現閥門開度的智能控制和精確定位。 也可選用3810系列或NA系列電子式角行程執行機構.亦可選用PSQ系列或DYR系列。≥DN400口徑閥門一般采用380VAC電動執行器。 零件材料
性能規范
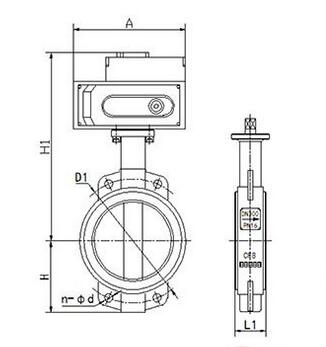
外形結構圖![]() 主要外形連接尺寸
|
||||||||||||||||||||||||||||||||||||||||||||||||||||||||||||||||||||||||||||||||||||||||||||||||||||||||||||||||||||||||||||||||||||||||||||||||||||||||||||||||||||||||||||||||||||||||||||||||||||||||||||||||||||||||||||||||||||||||||||||||||||||||||||||||||||||||||||||||||||||||||||||||||||||||||||||||||||||||||||||||||||||||||||||||||||||||||||||||||||||


關注官方微信