|
產品名稱:YJF液壓截止閥
產品型號:YJF
產品口徑:DN10~DN50
產品壓力:32.0MPa
產品材質:鑄鋼、不銹鋼
產品口徑:DN10~DN50
產品壓力:32.0MPa
產品材質:鑄鋼、不銹鋼
產品名稱:液壓截止閥 產品型號:YJF 公稱通徑:DN10~DN50結構形式:截止式公稱壓力:32.0MPa連接方式:內螺紋、法蘭、板式適用溫度:-29ºC~+180ºC驅動方式:
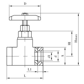
產品說明YJF液壓截止閥專為液壓系統設計制造的,其閥芯為液壓平衡式,開啟力小,密封可靠、體積小,本產品有管式、法蘭式、板式等連接形式,廣泛使用于液壓系統管理,集成油路等。圖形符號 ![]() 型號說明 ① 產品代號:YJF高壓截止閥 ② 連接形式:L-管式、F-法蘭式、B-板式 ③ 公稱通徑:10、15、20、25、32、40、50mm ④ 壓力等級:H-32MPa YJF-L內螺紋外形結構圖![]() 主要外形尺寸
YJF-F法蘭式外形結構圖![]() 主要外形尺寸
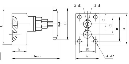
YJF-FB板式外形結構圖![]() 主要外形尺寸
|





關注官方微信