|
產品名稱:J41H手動法蘭截止閥
產品型號:J41H/W
產品口徑:DN15~DN300
產品壓力:1.6MPa~16.0MPa
產品材質:WCB、碳鋼、鉻鉬釩鋼、不銹鋼
產品口徑:DN15~DN300
產品壓力:1.6MPa~16.0MPa
產品材質:WCB、碳鋼、鉻鉬釩鋼、不銹鋼
產品名稱:手動法蘭截止閥 產品型號:J41H/W 公稱通徑:DN15~DN300結構形式:截止式公稱壓力:1.6MPa~16.0MPa連接方式:法蘭、焊接、螺紋適用溫度:-29ºC~+550
產品說明J41H手動法蘭截止閥的啟閉件是圓柱形的閥瓣,密封面呈平面或錐面,閥瓣沿流體的中心線作直線運動。國標截止閥只適用于全開和全關,一般不用來調節流量,定做時允許作調節和節流。公稱壓力1.6MPa-16.0MPa,工作溫度-29~550℃的石油、化工、制藥、化肥、電力行業等各種工況的管路上,切斷或接通管路介質。驅動方式有手動、齒輪傳動、電動、氣動等。產品特點1、結構簡單,制造和維修比較方便2、工作行程小,啟閉時間短 3、密封性好,密封面間磨擦力小,壽命較長 執行標準設計規范:GB/T 12235結構長度:GB/T 12221 法蘭連接:JB/T 79 試驗與檢驗:JB/T 9002 產品標識:GB/T 12220 供貨規范:JB/T 7928 性能參數
壓力試驗MPa
主要零件材料及性能
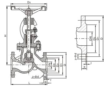
外形結構圖![]() PN l.6MPa規格主要尺寸
2.5MPa規格主要尺寸
4.0MPa規格主要尺寸
6.4MPa規格主要尺寸
|
||||||||||||||||||||||||||||||||||||||||||||||||||||||||||||||||||||||||||||||||||||||||||||||||||||||||||||||||||||||||||||||||||||||||||||||||||||||||||||||||||||||||||||||||||||||||||||||||||||||||||||||||||||||||||||||||||||||||||||||||||||||||||||||||||||||||||||||||||||||||||||||||||||||||||||||||||||||||||||||||||||||||||||||||||||||||||||||||||||||||||||||||||||||||||||||||||||||||||||||||||||||||||||||||||||||||||||||||||||||||||||||||||||||||||||||||||||||||||||||||||||||||||||||||||||||||||||||||||||||||||||||||||||||||||||||||||||||||||||||||||||||||||||||||||||||||||||||||||||||||||||||||||||||||||||||||||||||||||||||||||||||||||||||||||||||||||||||||||||||||||||


關注官方微信