|
產品名稱:DH61Y,DH61F低溫升降式止回閥
產品型號:DH61Y、DH61F
產品口徑:DN10~DN200
產品壓力:1.6MPa~32.0MPa
產品材質:LCB低溫鋼、不銹鋼
產品口徑:DN10~DN200
產品壓力:1.6MPa~32.0MPa
產品材質:LCB低溫鋼、不銹鋼
產品名稱:低溫升降式止回閥 產品型號:DH61Y、DH61F 公稱通徑:DN10~DN200結構形式:升降式、旋啟式公稱壓力:1.6MPa~32.0MPa連接方式:焊接、外螺紋、法蘭適用溫度:-40&
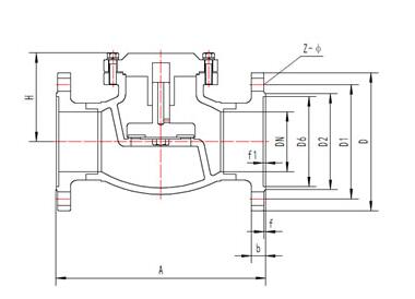
產品說明DH61Y、DH61F低溫升降式止回閥適用于介質單向流動的管路上,阻止介質回流,以防發生事故。主要用于LO2、LN2、LAr、LNG、LC2H4、乙烯、液氧、液氫、液氮、液氨、液態丙烷、液化天然氣、液化石油產品等各類系統中防止介質回流。產品特點1、產品結構緊湊合理、密封可靠、性能優良。2、體積小、重量輕。 3、適用范圍廣。 4、閥瓣關閉快速、動作靈敏。 5、關閉沖擊力小、不易產生水錘現象。 6、流道通暢、流體阻力小。 外形結構圖![]() 主要外形尺寸
外形結構圖![]() 主要外形尺寸
外形結構圖![]() 主要外形尺寸
|
||||||||||||||||||||||||||||||||||||||||||||||||||||||||||||||||||||||||||||||||||||||||||||||||||||||||||||||||||||||||||||||||||||||||||||||||||||||||||||||||||||||||||||||||||||||||||||||||||||||||||||||||||||||||||||||||||||||||||||||||||||||||||||||||||||||||||||||||||||||||||||||||||||||||||||||||||||||||||




關注官方微信