|
產品名稱:ZJHP,ZJHM氣動薄膜調節閥
產品型號:ZJHP、ZJHM
產品口徑:DN20~DN200
產品壓力:1.6MPa~6.4MPa
產品材質:鑄鋼、不銹鋼
產品口徑:DN20~DN200
產品壓力:1.6MPa~6.4MPa
產品材質:鑄鋼、不銹鋼
產品名稱:氣動薄膜調節閥 產品型號:ZJHP、ZJHM 公稱通徑:DN20~DN200結構形式:單座、套筒式、籠式公稱壓力:1.6MPa~6.4MPa連接方式:法蘭、焊接、螺紋適用溫度:-29&ord
產品說明ZJHP、ZJHM氣動薄膜調節閥是由多彈簧氣動薄膜執行機構和低流阻精小型調節閥閥體組成,多彈簧執行機構高度低、重量輕、裝備簡便。氣動薄膜調節閥閥體流道呈S流線型,具有結構緊湊、重量輕、動作靈敏、壓降損失小、閥容量大、流量特性精確、維護方便等優點,可用于苛刻的工作條件。氣動薄膜調節閥配用電-氣閥門定位或氣動閥門定位器,可實現對工藝管路流體介質的自動調節控制。氣動薄膜調節閥廣泛應用于精確控氣體、液體、蒸汽等介質的工藝參數如壓力、流量、溫度、液位等參數保持在給定值氣。ZJHP、ZJHM氣動薄膜調節閥特別適用于允許泄露量小、閥前后壓差不大及有一定粘度和含少量纖維介質的場合。閥體
閥內組件
執行機構
氣關式(B)- 失氣時閥位開(FO);氣開式(K)一失氣時閥位關(FC) 附件 定位器、空氣過濾減壓器、保位閥、行程開關、閥位傳送器、手輪機構等 性能
額定流量系數Kv、額定行程
分解圖(1)![]() 分解圖(2)![]() 允許壓差
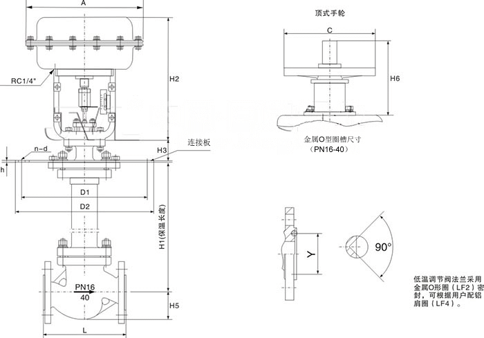
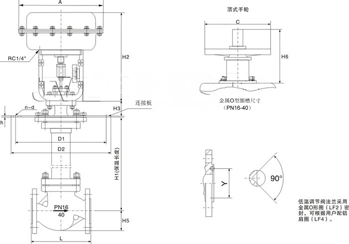
外形結構圖![]() 主要外形尺寸
1、表中重量為不帶附件標準數據,也可安裝側裝式手輪。 2、閥門法蘭及法蘭端面距可按用戶指定標準制造,如:ANSI,JIS,DIN標準。 外形結構圖![]() 主要外形尺寸
1、 保溫長度以700mm為例,表中重量為PN16數據,也可安裝側裝式手輪。 2、閥門法蘭及法蘭端面距可按用戶指定標準制造,如:ANSI,JIS,DIN標準。 外形結構圖![]() 主要外形尺寸
1、 表中數據位PN16數據,也可安裝側裝式手輪。 2、閥門法蘭及法蘭端面距可按用戶指定標準制造,如:ANSI,JIS,DIN標準。
|
|||||||||||||||||||||||||||||||||||||||||||||||||||||||||||||||||||||||||||||||||||||||||||||||||||||||||||||||||||||||||||||||||||||||||||||||||||||||||||||||||||||||||||||||||||||||||||||||||||||||||||||||||||||||||||||||||||||||||||||||||||||||||||||||||||||||||||||||||||||||||||||||||||||||||||||||||||||||||||||||||||||||||||||||||||||||||||||||||||||||||||||||||||||||||||||||||||||||||||||||||||||||||||||||||||||||||||||||||||||||||||||||||||||||||||||||||||||||||||||||||||||||||||||||||||||||||||||||||||||||||||||||||||||||||||||||||||||||||||||||||||||||||||||||||||||||||||||||||||||||||||||||||||||||||||||||||||||||||||||||||||||||||||||||||||||||||||||||||||||||||||||||||||||||||||||||||||||||||||||||||||||||||||||||||||||||||||||||||||||||||||||||||||||||||||||||||||||||||||||||||||||||||||||||||||||||||||||||||||||||||||||||||||||||||||||||||||||||||||||||||||||||||||||||||||||||||||||||||||||||||||||||||||||||||||||||||||||||||||||||||||||||||||||||||||||||||||||||||||||||






關注官方微信