|
產品名稱:ZCX消防專用電磁閥
產品型號:ZCX
產品口徑:DN15~DN300
產品壓力:1.0MPa~1.6MPa
產品材質:鑄鐵、鑄鋼、不銹鋼
產品口徑:DN15~DN300
產品壓力:1.0MPa~1.6MPa
產品材質:鑄鐵、鑄鋼、不銹鋼
產品名稱:消防專用電磁閥 產品型號:ZCX 公稱通徑:DN15~DN300結構形式:膜片式、活塞式、先導式、直動式公稱壓力:1.0MPa~1.6MPa連接方式:法蘭、螺紋適用溫度:-5ºC~
產品說明ZCX消防專用電磁閥適用于以水或液體為工業介質,可自動化控制或遠程控制水、油、液體等工作介質管路的通斷。ZCX電磁閥采用橡膠密封,故對工作介質的清潔度大大降低,具有啟閉迅速,可靠性高等特點。結構原理ZCX消防專用電磁閥為膜片一次開閥的先導式電磁閥,其結構主要由副閥和主閥組成。根據斷電時所處狀態的不同,可分為常閉電磁閥和常開電磁閥。常閉:常位時,活動鐵 芯封住副閥口,閥腔內壓力平衡,副閥、主閥口封閉。當線圈通電,產生電磁力將活動鐵芯吸上,副閥打開,主閥腔內的介質自導閥口外泄,以致主閥膜片上下產生 壓力差,膜片被迅速托起,主閥口開啟,閥呈通路狀態。當線圈斷電,磁場消失,活動鐵芯復位,封閉副閥口,繼而副閥膜片上腔壓力上升,主閥膜片壓向閥座,閥又呈關閉狀態。 常開:當線圈通電時,產生磁場力,銜鐵在磁力作用下下移,推動副閥閥杯下移,副閥關閉。隨著主閥閥內上下壓差趨向相等,主閥膜片由彈簧及自重壓向密封 閥門關閉。當線圈斷電后,磁力為零,銜鐵和副閥閥環由于彈簧作用上升,副閥打開,主閥膜片上腔內介質經副閥流走、壓力下降,當壓力降到一定值后,主閥由上 下壓差作用向上升起,主閥打開,閥門開啟。 技術參數
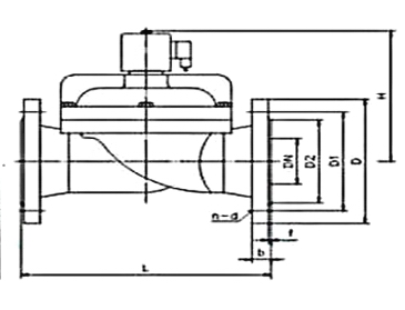
外形結構圖![]() 主要外形尺寸
|
|||||||||||||||||||||||||||||||||||||||||||||||||||||||||||||||||||||||||||||||||||||||||||||||||||||||||||||||||||||||||||||||||||||||||||||||||||||||||||||||||||||||||||||||||||||||||||||||||||||||||||||||||||||||||||||||||||||||||||||||||||||||||||||||||||||||||||||||||||||||||||||||||||||||||||||||||||||||||||||||||||||||||||||||||||||||||||||||||||||||||||||||||||||||||


關注官方微信