|
產品名稱:X47H提升式旋塞閥
產品型號:X47H
產品口徑:DN40~DN450
產品壓力:150LB~300LB~600LB~900LB~1500LB
產品材質:鑄鋼、不銹鋼
產品口徑:DN40~DN450
產品壓力:150LB~300LB~600LB~900LB~1500LB
產品材質:鑄鋼、不銹鋼
產品名稱:提升式旋塞閥 產品型號:X47H 公稱通徑:DN40~DN450結構形式:圓柱形或圓錐形公稱壓力:150LB~300LB~600LB~900LB~1500LB連接方式:法蘭適用溫度:-29&
產品說明X47H提升式旋塞閥采用了先提升后啟閉的閥門操作方式,大大減少了旋塞閥的啟閉力矩,而且不同于傳統旋塞閥采用矩形縮徑通道,該閥門通常采用圓形通道,使旋塞閥的流體阻力大大減少,金屬硬密封提升式旋塞閥兼有球閥與閘閥的有點,能用于高溫、高壓工況,大大擴展了旋塞閥的使用范圍。結構特點1、提升式旋塞閥啟閉時先提升旋塞,使旋塞與閥座密封面相脫離,然后 90°旋轉旋塞,使閥門開啟或關閉。由于閥門在啟閉過程中旋塞與閥座相脫離,故閥門的啟閉非常輕松,而且密封面在開啟或關閉過程中不易擦傷,閥門使用壽命長。2、提升式旋塞閥無論處在開啟狀態或關閉狀態,密封面均受到保護,不受介質沖刷,密封緊密可靠。 3、普通旋塞閥采用矩形流道,且流道面積縮減,有較大的流體阻力損失,而金屬硬密封提升式旋塞閥采用與管道截面積相同的圓形通道,流體阻力最小。 4、提升式旋塞閥結構緊湊,體積小,與閘閥相比,閥門的高度尺寸大大減小,與截止閥相比,流體阻力大大減小。 5、與普通旋塞閥相比,提升式旋塞閥適用的壓力及溫度范圍更大。 6、提升式旋塞閥兩側閥座密封面均可密封,閥門的安裝與使用不受介質流向的限制。 7、提升式旋塞閥關閉時,可通過手輪和閥桿對閥座密封面加壓,通過加大密封比壓,可使旋塞閥具有更好的密封性能。 8、閥座密封面凸起,便于密封面清洗,密封面上不易積存結晶介質或固體顆粒。 標準規范
性能規范
零部件材料
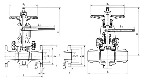
外形結構圖![]() 主要外形尺寸150LB
主要外形尺寸300LB
主要外形尺寸600LB
主要外形尺寸900LB
|
|||||||||||||||||||||||||||||||||||||||||||||||||||||||||||||||||||||||||||||||||||||||||||||||||||||||||||||||||||||||||||||||||||||||||||||||||||||||||||||||||||||||||||||||||||||||||||||||||||||||||||||||||||||||||||||||||||||||||||||||||||||||||||||||||||||||||||||||||||||||||||||||||||||||||||||||||||||||||||||||||||||||||||||||||||||||||||||||||||||||||||||||||||||||||||||||||||||||||||||||||||||||||||||||||||||||||||||||||||||||||||||||||||||||||||||||||||||||||||||||||||||||||||||||||||||||||||||||||||||||||||||||||||||||||||||||||||||||||||||||||||||||||||||||||||||||||||||||||||||||||||||||||||||||||||||||||||||||||||||||||||||||||||||||||||||||||||||||||||||||||||||||||||||||||||||||||||||||||||||||||||||||||||||||||||||||||||||||||||||||||||||||||||||||||||||||||||||||||||||||||||||||||||||||||||


關注官方微信