|
產品名稱:X43F美標卡套式旋塞閥
產品型號:X43F
產品口徑:DN15~DN400
產品壓力:150LB~300LB~600LB~900LB
產品材質:鑄鋼、不銹鋼
產品口徑:DN15~DN400
產品壓力:150LB~300LB~600LB~900LB
產品材質:鑄鋼、不銹鋼
產品名稱:美標卡套式旋塞閥 產品型號:X43F 公稱通徑:DN15~DN400結構形式:圓柱形或圓錐形公稱壓力:150LB~300LB~600LB~900LB連接方式:法蘭適用溫度:-29º
產品說明X43F美標卡套式旋塞閥由閥體、閥蓋、卡套、塞子、及其他零部件組成,通過旋轉帶孔塞子,使塞子孔與閥體孔對齊或錯開,適用于公稱壓力級class150lb-900lb,工作溫度-29-180℃的食品、石油、化工、制藥、化肥、電力、貴金屬等管路。標準規范設計標準按照API599、API6D結構長度按照ANSI B16.10 法蘭連接按照ANSI B16.5 檢驗試驗按照API598、API6D 結構特點1、產品結構精巧、密封可靠、密封壽命長、性能優越、造型符合工藝美學。2、通過軟性卡套與金屬塞子過盈配合保證密封、可調節性強。 3、閥門可全方位安裝,不受安裝方向的控制;閥門體積小,對安裝空間沒有特殊要求。 4、閥門可用于雙向流,容易制造成多通形式,便于控制管道介質流向。 5、卡套與閥體之間有獨特的360°金屬唇邊,能夠有效保護和固定卡套,使之不會隨著塞子轉動,并能夠卡套與閥體接觸面密封更可靠穩定。 6、塞子轉動時會刮搽密封面,提供自清潔功能,適合于粘稠和易結垢介質。 7、閥門沒有內部空腔給介質積聚。 8、閥門易于制造成防火防靜電結構。 性能規范
零部件材料
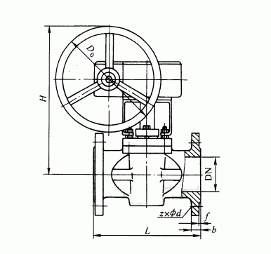
外形結構圖![]() 主要外形尺寸150LB
主要外形尺寸300LB
主要外形尺寸600LB
|
|||||||||||||||||||||||||||||||||||||||||||||||||||||||||||||||||||||||||||||||||||||||||||||||||||||||||||||||||||||||||||||||||||||||||||||||||||||||||||||||||||||||||||||||||||||||||||||||||||||||||||||||||||||||||||||||||||||||||||||||||||||||||||||||||||||||||||||||||||||||||||||||||||||||||||||||||||||||||||


關注官方微信