|
產品名稱:EG41J英標襯膠隔膜閥
產品型號:EG41J
產品口徑:DN15~DN350
產品壓力:0.6MPa~1.0MPa~1.6MPa
產品材質:鑄鋼、不銹鋼
產品口徑:DN15~DN350
產品壓力:0.6MPa~1.0MPa~1.6MPa
產品材質:鑄鋼、不銹鋼
產品名稱:英標襯膠隔膜閥 產品型號:EG41J 公稱通徑:DN15~DN350結構形式:直通公稱壓力:0.6MPa~1.0MPa~1.6MPa連接方式:法蘭適用溫度:-29ºC~+180&o
產品說明EG41J英標襯膠隔膜閥是一種特殊形式的截斷閥,啟閉件采用EPDM橡膠材料制成的隔膜,把閥體內腔與閥蓋內腔及驅動部件隔開,下部閥體內腔與上部閥蓋內腔隔開,使位于隔膜上方的閥桿、閥瓣等零件不受介質腐蝕,省去了填料密封結構,且不會產生介質外漏,閥體流道采用全襯膠設計,避免閥體受工況介質腐蝕,增加了閥門使用壽命。襯膠隔膜閥專用于控制非腐蝕性或一般腐蝕性介質,閥體,內腔表面無襯里或覆有可供選擇的各種橡膠,適用于不同工作溫度和流體管路。結構特點1、彈性密封的開閉件,確保沒有內漏;2、流線型的流道,使得壓力損失小; 3、沒有填料函,因此沒有外漏; 4、閥體與蓋被中間隔膜隔開,使得隔膜上方的閥蓋,閥桿零件不受介質侵蝕; 5、隔膜可更換,維護費用低; 6、襯里材料的多樣性,可適用于各種介質,并具有良好的耐腐蝕性。 性能規范
零件材料
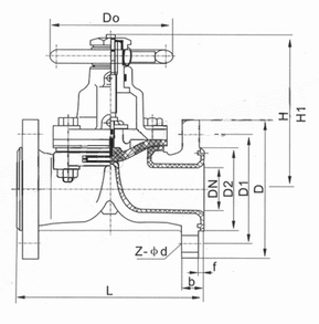
![]() 主要外形尺寸
|
||||||||||||||||||||||||||||||||||||||||||||||||||||||||||||||||||||||||||||||||||||||||||||||||||||||||||||||||||||||||||||||||||||||||||||||||||||||||||||||||||||||||||||||||||||||||||||||||||||||||||||||||||||||||||||


關注官方微信