|
產品名稱:Y43H鍋爐蒸汽減壓閥
產品型號:Y43H
產品口徑:DN15~DN500
產品壓力:
產品材質:鑄鐵、鑄鋼、不銹鋼
產品口徑:DN15~DN500
產品壓力:
產品材質:鑄鐵、鑄鋼、不銹鋼
產品名稱:鍋爐蒸汽減壓閥 產品型號:Y43H 公稱通徑:DN15~DN500結構形式:活塞式、先導式工作壓力:1.0MPa~6.4.0MPa~16.0MPa連接方式:法蘭、螺紋適用溫度:-20&ord
產品說明Y43H鍋爐蒸汽減壓閥本系列減壓閥屬于先導活塞式減壓閥。由主閥和導閥兩部分組成。主閥主要由閥座、主閥盤、活塞、彈簧等零件組成。導閥主要由閥座、閥瓣、膜片、彈簧、調節彈簧等零件組成。通過調節調節彈簧壓力設定出口壓力、利用膜片傳感出口壓力變化,通過導閥啟閉驅動活塞調節主閥節流部位過流面積的大小,實現減壓穩壓功能。性能范圍
減壓閥流量系數(Cv)
主要零件材料
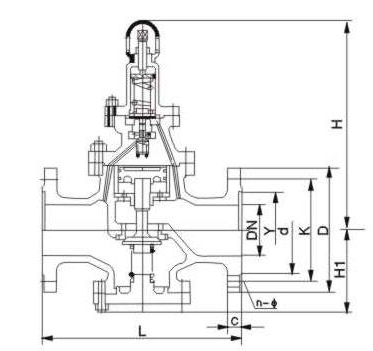
外形結構圖![]() 外形尺寸(PN1.6-4.0)單位:mm
外形尺寸(PN6.4-16.0) 單位:mm
安裝說明①為了操作和維護方便,該鍋爐蒸汽減壓閥一般直立安裝在水平管道上,橫向安裝須特別說明。②安裝時應注意使管路中介質的流向與鍋爐蒸汽減壓閥休上所示箭頭的方向一致。 ③為了防止蒸汽后壓力超壓,應在離閥出口不少于4M處安裝一個安全閥。
|
||||||||||||||||||||||||||||||||||||||||||||||||||||||||||||||||||||||||||||||||||||||||||||||||||||||||||||||||||||||||||||||||||||||||||||||||||||||||||||||||||||||||||||||||||||||||||||||||||||||||||||||||||||||||||||||||||||||||||||||||||||||||||||||||||||||||||||||||||||||||||||||||||||||||||||||||||||||||||||||||||||||||||||||||||||||||||


關注官方微信