|
產品名稱:Y型截止閥
產品型號:J45H,J15Y/J65Y
產品口徑:DN15-200
產品壓力:150LB-2500LB
產品材質:WCB,鍛鋼,不銹鋼等
產品口徑:DN15-200
產品壓力:150LB-2500LB
產品材質:WCB,鍛鋼,不銹鋼等
Y型截止閥_鍛鋼(承插焊,自密封)Y型截止閥適用于公稱壓力150LB-2500LB,工作溫度-29~550℃的石油、化工、制藥、化肥、電力行業等各種工況的管道上面,切斷或接通介質。適用介質為:水、油品...
Y型截止閥_鍛鋼(承插焊,自密封)Y型截止閥適用于公稱壓力150LB-2500LB,工作溫度-29~550℃的石油、化工、制藥、化肥、電力行業等各種工況的管道上面,切斷或接通介質。適用介質為:水、油品、蒸汽、酸性介質等。操作方式有:手動,氣動,電動。 技術要求1、閥門設計與制造按API 623-2013、JIS E101和NB/T 47044-2014等的規定; 實物圖片
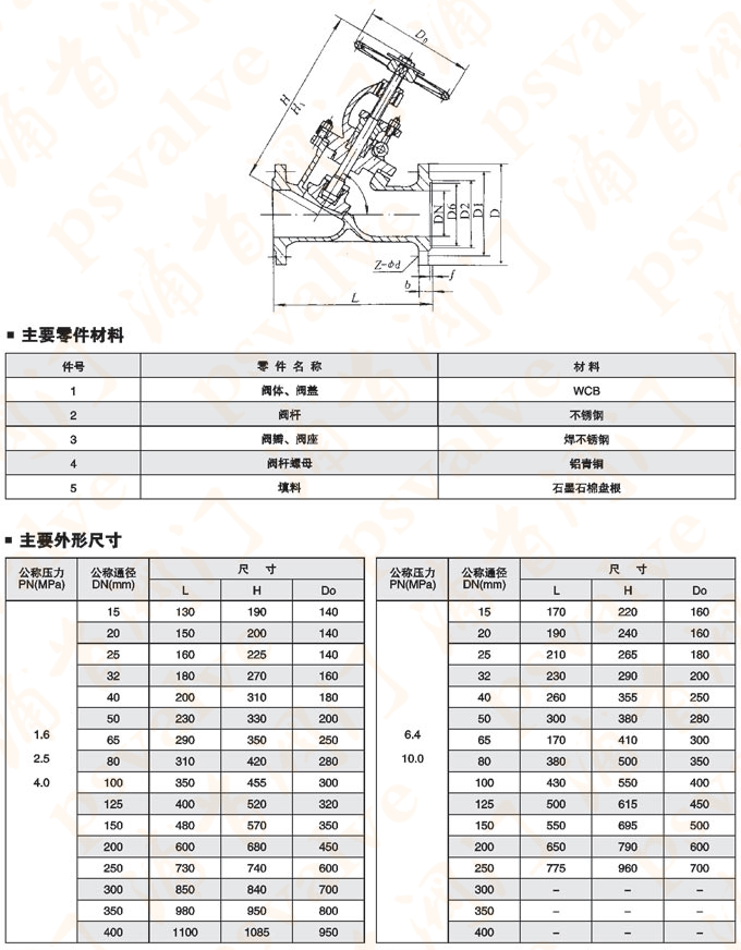
Y型截止閥主要材質零件
主要材質零件
Y型截止閥,鍛鋼承插焊Y型截止閥,鍛鋼自密封Y型截止閥參數尺寸圖:
|
||||||||||||||||||||||||||||||||||||||||||||||||||||||||||||||||||||||||||||||||||||||||||||||||||||||||||||||||||||||||||||||||||||||||||||||||||||||||||||||||||||||||||||||||||||||||||||||||||||||

關注官方微信