|
產品名稱:鉻鉬鋼截止閥
產品口徑:DN10-300
產品壓力:1.6MPa-16.0MPa
產品材質:鉻鉬鋼截止閥
鉻鉬鋼截止閥主要材質鉻鉬鋼用于化工設備,通用零部件,工業設備,制藥設備,通用設備,石化設備,電力設備,治金粉末設備,采礦設備,市政,電子工業等。適用介質 水,蒸汽,油品,酸類,堿液,鹽水,海水,氧氣等。 鉻鉬鋼截止閥結構特點與用途: 可以安裝在管道的任何位置上,介質從下往上流; 不銹鋼截止閥適用于各類腐蝕性介質的管道上,有良好的防腐性和足夠的強度; 合金鋼截止閥適用于耐高溫的蒸汽,油品管道上,具有耐高溫特點。 J41Y鉻鉬鋼截止閥-性能參數
【J41Y鉻鉬鋼截止閥-使用范圍】
【J41Y鉻鉬鋼截止閥-主要零件材料】
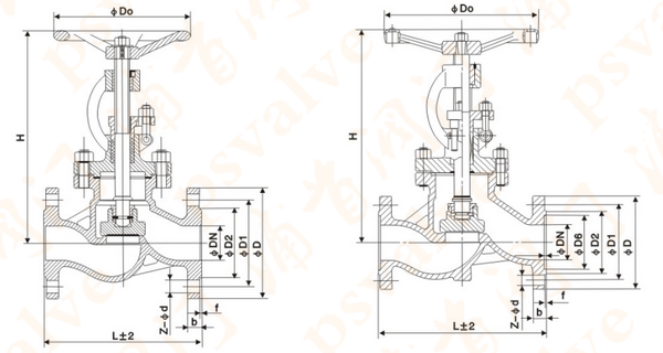
【J41Y鉻鉬鋼截止閥-主要外形尺寸】
|
||||||||||||||||||||||||||||||||||||||||||||||||||||||||||||||||||||||||||||||||||||||||||||||||||||||||||||||||||||||||||||||||||||||||||||||||||||||||||||||||||||||||||||||||||||||||||||||||||||||||||||||||||||||||||||||||||||||||||||||||||||||||||||||||||||||||||||||||||||||||||||||||||||||||||||||||||||||||||||||||||||||||||||||||||||||||||||||||||||||||||||||||||||||||||||||||||||||||||||||||||||||||||||||||||||||||||||||||||||||||||||||||||||||||||||||||||||||||||||||||||||||||||||||||||||||||||||||||||||||||||||||||||||||||||||||||||||||||||||||||||||||||||||||||||||||||||||||||||||||||||||||||||||||||||||||||||||||||||||||||||||||||||||||||||||||||||||||||||||||||||||||||||||||||||||||||||||||||||||||||||||||||||||||||||||||||||||||||||||||||||||||||||||||||||||||||||||||

關注官方微信